用途 JDH-F2型(非接觸式)打滑檢測裝置,是一種經濟、可靠性強、對軸轉速及其他旋轉裝置簡單通用的監測裝置,當檢測到目前轉速信號低于或高于正常轉速范圍,開關輸出一組開關信號,以供報警或停機。無運動部件、無磨損、安全壽命長、一體化結構,集中的控制裝置,設定或故障檢修簡單,外殼采用防水、防塵的設計,兩螺栓固定殼體,可直接安裝在惡劣環境中使用。主要技術參數及性能 電源電壓:AC220V 檢測范圍:0.5m/s~9.99m/s 脈 沖:0~120Hz 轉 速:0~999轉/分 開機延時:10s 開關與目標距離:10~20mm 開關數量:2組常開 2組常閉 觸點容量:24~380V AC/DC 電 流:5A 防護等級:IP65外形尺寸安裝示意設置說明 1.當電源接頭時,繼電器吸合,延時約10秒,綠燈亮,紅燈和黃燈不亮;數碼管顯示的是每分鐘的轉數(各數字不閃爍); 2.“輸出一”打滑速度設置:按“設置鍵△”出現數碼管顯示為“0000”且個位閃爍,通過“鍵△”和“鍵△”輸入9456;再按設置鍵,數碼管顯示為打滑速度且個位閃爍,通過“鍵△”和“鍵△”可修改打滑速度,再按“鍵△”打滑速度設置完畢; 3.“輸出二”打滑速度設置:按“設置鍵△”出現數碼管顯示為“0000”且個位閃爍,通過“鍵△”和“鍵△”輸入9789;再按設置鍵,數碼管顯示為打滑速度且個位閃爍,通過“鍵△”和“鍵△”可修改打滑速度,再按“鍵△”第二組打滑速度設置完畢; 4.開機延時時間設置:按“設置鍵△”出現數碼管顯示為“0000”,通過鍵△”和“鍵△”輸入4444,再按設置鍵,數碼管顯示,4444,通過“鍵△”和“鍵△”將4444修改為0244(0244為10秒,0488為20秒,以此類推)再按設置鍵△。此時,再斷電重啟,延時時間才能存入,延時時間設置完畢。(出廠時間延時為10秒) 5.設備的轉數高于設置的打滑速度時,繼電器不動作;轉數低于設置的打滑速度時,打滑后繼電器吸合;一般打滑速度的設置為低于機器正常轉數的20%~30%?! ?.每次參數設置好后,一定要把電源關斷,再重啟電源,這樣設置的數據才能存入設備中。面板及接線
咨詢熱線:18639159095
在線詢價用途
JDH-F2型(非接觸式)打滑檢測裝置,是一種經濟、可靠性強、對軸轉速及其他旋轉裝置簡單通用的監測裝置,當檢測到目前轉速信號低于或高于正常轉速范圍,開關輸出一組開關信號,以供報警或停機。無運動部件、無磨損、安全壽命長、一體化結構,集中的控制裝置,設定或故障檢修簡單,外殼采用防水、防塵的設計,兩螺栓固定殼體,可直接安裝在惡劣環境中使用。
主要技術參數及性能
電源電壓:AC220V 檢測范圍:0.5m/s~9.99m/s
脈 沖:0~120Hz 轉 速:0~999轉/分
開機延時:10s 開關與目標距離:10~20mm
開關數量:2組常開 2組常閉 觸點容量:24~380V AC/DC
電 流:5A 防護等級:IP65
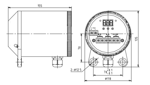
外形尺寸

安裝示意

設置說明
1.當電源接頭時,繼電器吸合,延時約10秒,綠燈亮,紅燈和黃燈不亮;數碼管顯示的是每分鐘的轉數(各數字不閃爍);
2.“輸出一”打滑速度設置:按“設置鍵△”出現數碼管顯示為“0000”且個位閃爍,通過“鍵△”和“鍵△”輸入9456;再按設置鍵,數碼管顯示為打滑速度且個位閃爍,通過“鍵△”和“鍵△”可修改打滑速度,再按“鍵△”打滑速度設置完畢;
3.“輸出二”打滑速度設置:按“設置鍵△”出現數碼管顯示為“0000”且個位閃爍,通過“鍵△”和“鍵△”輸入9789;再按設置鍵,數碼管顯示為打滑速度且個位閃爍,通過“鍵△”和“鍵△”可修改打滑速度,再按“鍵△”第二組打滑速度設置完畢;
4.開機延時時間設置:按“設置鍵△”出現數碼管顯示為“0000”,通過鍵△”和“鍵△”輸入4444,再按設置鍵,數碼管顯示,4444,通過“鍵△”和“鍵△”將4444修改為0244(0244為10秒,0488為20秒,以此類推)再按設置鍵△。此時,再斷電重啟,延時時間才能存入,延時時間設置完畢。(出廠時間延時為10秒)
5.設備的轉數高于設置的打滑速度時,繼電器不動作;轉數低于設置的打滑速度時,打滑后繼電器吸合;一般打滑速度的設置為低于機器正常轉數的20%~30%。
6.每次參數設置好后,一定要把電源關斷,再重啟電源,這樣設置的數據才能存入設備中。
面板及接線

可為焦作森科智能輸送技術有限公司提供研發、試制、生 產和資金等保障
- 上一篇:JLDH-D型打滑檢測保護裝置
- 下一篇:JDH-F型打滑檢測裝置