概述 本機用于皮帶出現撕裂、戳破、交結處損壞或者鋒利物凸出皮帶時,撕裂開關能給監視人員提供報警信號或關閉輸送機電源。工作原理 縱向撕裂檢測器是關為昂貴的皮帶提供可靠的保護,檢測器可在眼帶出現撕裂、斷裂,重要或尖銳物體劃破皮帶時,撕裂檢測器能給監視人員提供報警信號或關閉輸送機。撕裂檢測器成對安裝在傳送帶兩側,由兩段鋼絲繩連接(鋼絲繩為覆塑外套護層)。繩的一端永 久固定在支撐托架上,防止繩纜丟失,另一端連接在撕裂開關的彈簧球上,兩段鋼絲繩在皮帶下面形成一個閉合回路,當物體或撕裂的皮帶懸吊下來、掃落到一條或兩條鋼絲繩時,彈簧球被拉出底座,撕裂開關發出警報信號或停機信號。事故處理完畢后將彈簧球從新裝入底座,撕裂開關消除警報信號。簡便,有效的為輸送皮帶可能出現的損壞提供可靠及穩定的報警,停機保護,檢測器盡管原理簡單,但是起了相當重要的作用,堅固的殼體。重載結構,簡單的安裝方式,使得檢測器的任何惡劣壞境下工作。特點 結構簡單牢固,不需要維護,可多次反復使用鑄鋁外殼帶動防護層整體式蓋板,易于接線作用力只需0.9KG即可觸發開關與進口產品安裝尺寸一致。安裝與使用 撕裂開關設置在受料段膠帶下緩沖托輥之間。 1.按圖所示安裝支架和撕裂開關,撕裂開關的拉環要與膠帶邊緣同高、若高度不夠可在支架下加上墊鐵或槽鋼,測好高度后在把支架與支座焊牢。 2.掛上攔索:一端穿過撕裂開關的拉環用索扣扣死,另一端穿過對方撕裂開關支架中間的圓孔待用。 3.安裝好二只撕裂開關和掛兩條攔索。再加30度彎角處把兩條攔索扣在一起、但不能扣死。 4.收緊雙方支架中間孔內的攔索然后扣死待用。 5.測試攔索的松緊:一般作用在0.9Kg即可觸發開關為宜。 6.膠帶在荷載下沉時要與纜繩保持5mm-10mm即可。技術參數環境溫度:-30℃-+50℃環境溫度:不大于85%觸點數量:AC380V/3A220V5A復位方式:手動復位動作力:0.9Kg觸點數量:常開:1、常閉:1重量:4Kg行程:10mm可靠性:>10次內部采用進口元件防護等級:IP65接線方式 本機出廠時已配長度為2.0米電纜線,接線方式參照標牌所標線色。
咨詢熱線:18639159095
在線詢價概述
本機用于皮帶出現撕裂、戳破、交結處損壞或者鋒利物凸出皮帶時,撕裂開關能給監視人員提供報警信號或關閉輸送機電源。
工作原理
縱向撕裂檢測器是關為昂貴的皮帶提供可靠的保護,檢測器可在眼帶出現撕裂、斷裂,重要或尖銳物體劃破皮帶時,撕裂檢測器能給監視人員提供報警信號或關閉輸送機。撕裂檢測器成對安裝在傳送帶兩側,由兩段鋼絲繩連接(鋼絲繩為覆塑外套護層)。繩的一端永 久固定在支撐托架上,防止繩纜丟失,另一端連接在撕裂開關的彈簧球上,兩段鋼絲繩在皮帶下面形成一個閉合回路,當物體或撕裂的皮帶懸吊下來、掃落到一條或兩條鋼絲繩時,彈簧球被拉出底座,撕裂開關發出警報信號或停機信號。事故處理完畢后將彈簧球從新裝入底座,撕裂開關消除警報信號。簡便,有效的為輸送皮帶可能出現的損壞提供可靠及穩定的報警,停機保護,檢測器盡管原理簡單,但是起了相當重要的作用,堅固的殼體。重載結構,簡單的安裝方式,使得檢測器的任何惡劣壞境下工作。
特點
結構簡單牢固,不需要維護,可多次反復使用鑄鋁外殼帶動防護層整體式蓋板,易于接線作用力只需0.9KG即可觸發開關與進口產品安裝尺寸一致。
安裝與使用
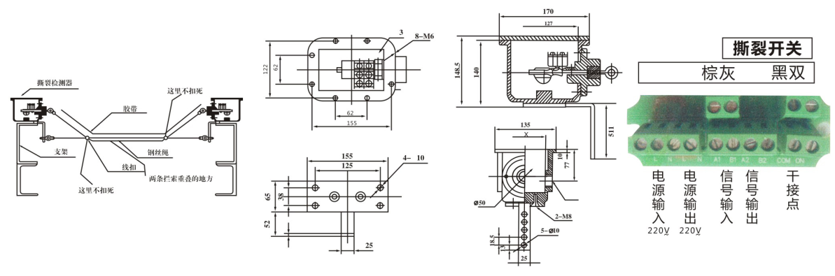
撕裂開關設置在受料段膠帶下緩沖托輥之間。
1.按圖所示安裝支架和撕裂開關,撕裂開關的拉環要與膠帶邊緣同高、若高度不夠可在支架下加上墊鐵或槽鋼,測好高度后在把支架與支座焊牢。
2.掛上攔索:一端穿過撕裂開關的拉環用索扣扣死,另一端穿過對方撕裂開關支架中間的圓孔待用。
3.安裝好二只撕裂開關和掛兩條攔索。再加30度彎角處把兩條攔索扣在一起、但不能扣死。
4.收緊雙方支架中間孔內的攔索然后扣死待用。
5.測試攔索的松緊:一般作用在0.9Kg即可觸發開關為宜。
6.膠帶在荷載下沉時要與纜繩保持5mm-10mm即可。
技術參數
環境溫度:-30℃-+50℃
環境溫度:不大于85%
觸點數量:AC380V/3A220V5A
復位方式:手動復位
動作力:0.9Kg
觸點數量:常開:1、常閉:1
重量:4Kg
行程:10mm
可靠性:>10次
內部采用進口元件
防護等級:IP65
接線方式
本機出廠時已配長度為2.0米電纜線,接線方式參照標牌所標線色。

可為焦作森科智能輸送技術有限公司提供研發、試制、生 產和資金等保障
- 上一篇:沒有了